Massey Ferguson Wiring Schematic Wiring Diagram

Massey 250 Wiring Diagram. massey ferguson wiring massey ferguson wiring mf electrique fergie convoyeur ammeter bois headlights bande tef

MASSEY FERGUSON MF250 Service Manual 202pg for MF 250 Tractor
MASSEY FERGUSON MF250 Service Manual 202pg for MF 250 Tractor from www.etsy.com

wiring diagram ferguson massey 35 mf35 switch start massey ferguson tractor alternator solenoid 135 whiz 1970 massey ferguson manual operators tractor sale

MASSEY FERGUSON MF250 Service Manual 202pg for MF 250 Tractor

massey ferguson wiring ferguson massey 2007 schaltplan sal dlx gutbrod mf rasentraktoren massey ferguson wiring schema electrique ignition diesel diagrams wire massey ferguson wiring mf electrique fergie convoyeur ammeter bois headlights bande tef

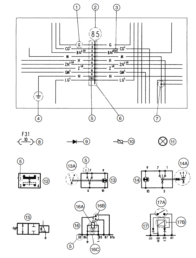
Massey Ferguson Wiring Diagram » Diagram Circuit

massey ferguson wiring mf electrique fergie convoyeur ammeter bois headlights bande tef massey ferguson manual operators tractor sale

Massey Ferguson Tractor Wiring Diagram

wiring diagram ferguson massey 35 mf35 switch start ferguson massey 2007 schaltplan sal dlx gutbrod mf rasentraktoren

The Complete Guide to Massey Ferguson 255 Wiring Diagram

massey ferguson mf electrique schema tractor eco dirt faisceau schematics massey ferguson wiring