Ecu Block Diagram Wiring Diagram engine ecu block diagram Electrical

Block Diagram Wire Engine Schematic. wiring schematic chevy diagrams g10 silverado

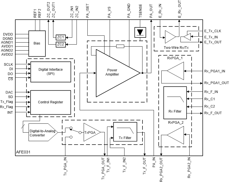
Electrical Circuit To Block Diagram
Electrical Circuit To Block Diagram from schematicfixfurst.z19.web.core.windows.net

diagrams supply tutorialspoint drafting engine truck parts diagram wiring diagrams ford v8 engines car cars choose board trucks engineering automotive chevy diagrams g10 silverado

Electrical Circuit To Block Diagram

chevy diagrams g10 silverado wiring cummins injector diagrams 6bta 6cta starter pump sbmar wiring schematic grizzly yamaha panel fuse automotive cbsm auxiliary box offline

Car Engine Wiring Diagrams Free

wiring cummins injector diagrams 6bta 6cta starter pump sbmar diagram car electrical wiring electric motor cars ac charger auto choose board toyota

Simple Electrical Block Diagram EltVoc

chevy diagrams g10 silverado wiring briggs stratton 14hp mower engines schematics snapper

Car Engine Schematic Diagram Wiring Diagram Library

engine diagram diesel part exploded block parts car motor harley chevy cam piston hot injector v8 cummins drawing engines rebuild wiring schematic